BB-B※Y系列

BB-B※Y摆线齿轮油泵带有安全阀。省却了泵与阀之间的管路连接。密封可靠,调压方便,其调压范围0~0.8MPa,内回油式,故只能作保护阀。如要作益流阀用,其结构为外回油式,具体可与我厂技术部联系。
技术规格:
|
产品型号 |
流量 (L/min) |
压力 (MPa) |
转速 (r/min) |
| BB-B4Y | 4 | 0.8 | 1500 |
|---|---|---|---|
| BB-B6Y | 6 | ||
| BB-B10Y | 10 | ||
| BB-B16Y | 16 | 0.8 | 1500 |
| BB-B20Y | 20 | ||
| BB-B25Y | 25 | ||
| BB-B32Y | 32 | ||
| BB-B40Y | 40 | 0.8 | 1500 |
| BB-B50Y | 50 | ||
| BB-B63Y | 63 | ||
| BB-B80Y | 80 |
0.8 |
1500 |
| BB-B100Y | 100 | ||
| BB-B125Y | 125 |
注意事项:
当使用高粘度油液时,吸入口管径要尽可能大,长度尽可能短,而且要尽量避免直角或弯曲。
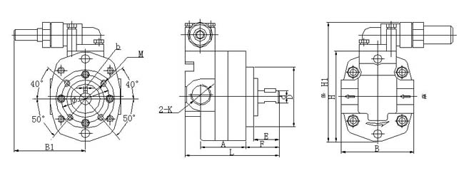
BB-B※Y系列外形尺寸


|
型号 |
A |
B |
E |
F |
H |
L |
D |
d |
ф |
b |
M |
K |
H1 |
B1 |
| BB-B4Y | 50 | 72 | 25 | 30 | 92 | 94 | ф35 | ф12 | 50 | 4 | M6 | z3/8" | 116 | 70 |
|---|---|---|---|---|---|---|---|---|---|---|---|---|---|---|
| BB-B6Y | 55 | 99 | ||||||||||||
| BB-B10Y | 64 | 108 | ||||||||||||
| BB-B16Y | 72 | 95 | 30 | 35 | 117 | 127 | ф50 | ф16 | 65 | 5 | M8 | z3/4" | 158 | 90 |
| BB-B20Y | 76 | 131 | ||||||||||||
| BB-B25Y | 81 | 136 | ||||||||||||
| BB-B32Y | 88 | 143 | ||||||||||||
| BB-B40Y | 85 | 110 | 32 | 37 | 134 | 144 | ф55 | ф22 | 80 | 6 | M8 | z3/4" | 183 | 105 |
| BB-B50Y | 90 | 149 | ||||||||||||
| BB-B63Y | 97 | 156 | ||||||||||||
| BB-B80Y | 102 | 130 | 40 | 46 | 154 | 175 | ф70 | ф30 | 95 | 8 | M8 | z1" | 205 | 113 |
| BB-B100Y | 109 | 182 | ||||||||||||
| BB-B125Y | 118 | 191 |
上一篇: BB-B※YJZ系列
下一篇: BB-B※JZ-1系列

